HABO Remuitzetter 811H HM350 RB601-800

26,20

HABO Remuitzetter 811H HM350 RB601-800

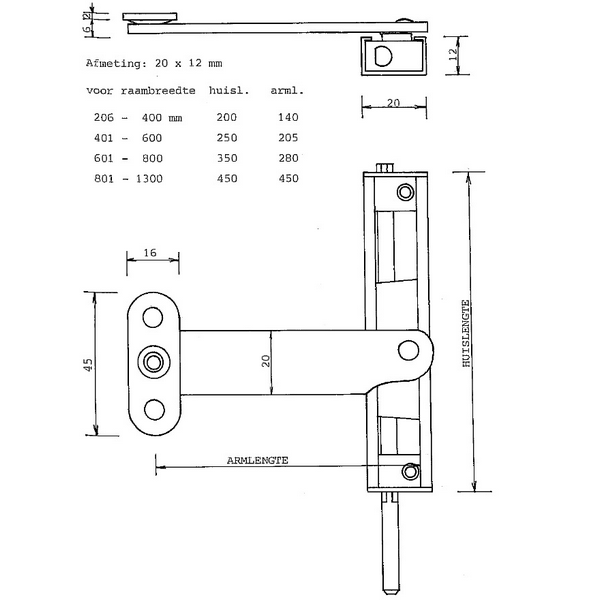
De HABO Remuitzetter 811H kan worden toegepast bij de oudere HABO Espagnoletten 8121 en 9121. De Remuitzetters worden door de Raamkruk bediend en kunnen het raam d.m.v. frictie in iedere gewenste stand vast zetten.

4-7 Werkdagen

Betrouwbaar & snel verzonden met: Transmission logo DHL logo
Artikelnummer: 17141035 Categorieën: , , , ,
Kies voor de kwaliteit van Wicor
  • Onze specialisten staan klaar met deskundig advies
  • Verzending waar en wanneer het jou uitkomt
  • Ook maatwerk; neem contact op voor meer informatie

Beschrijving

HABO Remuitzetter 811H HM350 RB601-800

Toepassing: HABO 8121 en 9121
Huismaat: 357x20x12mm
Armlengte: 280mm
Min./Max. Raambreedte: 601-800mm
Afmeting kozijnvoet: 45x16mm
Schroefadvies: 3x40mm
Type Nummer: 811H
Artikelnummer: 17141035

Toe te passen Onderlegplaat bij Buitendraaiend (zie gerelateerde artikelen): Onderlegplaatje 10 (17910001)

Extra informatie

Gewicht0,05 kg
Afmetingen80 × 2,6 × 2 cm
Niet uit voorraad

Grote aantallen? Offerte aanvragen

    • Jarenlange ervaring en vakkennis
    • Persoonlijk advies van specialisten
    • Meer dan 22.000 artikelen op voorraad
    • Telefonisch bereikbaar, maandag t/m zaterdag
    • Specialist in hang- en sluitwerk
    • Topmerken uit de branche
    • Expert in MACO draaival-renovatie
    • Uitgebreide voorraad MACO-onderdelen
    • Eigen productie DUCO ventilatiesystemen
    • Jarenlange ervaring en vakkennis
    • Persoonlijk advies van specialisten
    • Meer dan 22.000 artikelen op voorraad
    • Telefonisch bereikbaar, maandag t/m zaterdag
    • Specialist in hang- en sluitwerk
    • Topmerken uit de branche
    • Expert in MACO draaival-renovatie
    • Uitgebreide voorraad MACO-onderdelen
    • Eigen productie DUCO ventilatiesystemen